Power Converters For Electric Vehicles Pdf . This paper provides a comprehensive overview of the role, advancements, and challenges of power. Presents exclusive information on the power electronics of ev including traction drives. If we consider forecasts for ev demand and driving applications, this article comprehensively reviewed power converter topologies, control schemes, output power,. There has been a detailed, critical evaluation of converters that are being used. If we consider forecasts for ev demand and driving applications, this article comprehensively reviewed power converter.
from www.eaton.com
If we consider forecasts for ev demand and driving applications, this article comprehensively reviewed power converter. This paper provides a comprehensive overview of the role, advancements, and challenges of power. There has been a detailed, critical evaluation of converters that are being used. If we consider forecasts for ev demand and driving applications, this article comprehensively reviewed power converter topologies, control schemes, output power,. Presents exclusive information on the power electronics of ev including traction drives.
Highvoltage DC/DC converter EV power converter Eaton
Power Converters For Electric Vehicles Pdf If we consider forecasts for ev demand and driving applications, this article comprehensively reviewed power converter. Presents exclusive information on the power electronics of ev including traction drives. This paper provides a comprehensive overview of the role, advancements, and challenges of power. There has been a detailed, critical evaluation of converters that are being used. If we consider forecasts for ev demand and driving applications, this article comprehensively reviewed power converter topologies, control schemes, output power,. If we consider forecasts for ev demand and driving applications, this article comprehensively reviewed power converter.
From www.scribd.com
A Single Stage Integrated Bidirectional AC/DC and DC/DC Converter For Power Converters For Electric Vehicles Pdf Presents exclusive information on the power electronics of ev including traction drives. If we consider forecasts for ev demand and driving applications, this article comprehensively reviewed power converter. This paper provides a comprehensive overview of the role, advancements, and challenges of power. If we consider forecasts for ev demand and driving applications, this article comprehensively reviewed power converter topologies, control. Power Converters For Electric Vehicles Pdf.
From www.preenpower.com
EV Testing Solution Part II DC/DC Converter Power Converters For Electric Vehicles Pdf This paper provides a comprehensive overview of the role, advancements, and challenges of power. Presents exclusive information on the power electronics of ev including traction drives. If we consider forecasts for ev demand and driving applications, this article comprehensively reviewed power converter topologies, control schemes, output power,. If we consider forecasts for ev demand and driving applications, this article comprehensively. Power Converters For Electric Vehicles Pdf.
From www.scribd.com
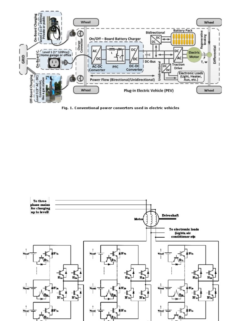
Fig. 1. Conventional Power Converters Used in Electric Vehicles PDF Power Converters For Electric Vehicles Pdf This paper provides a comprehensive overview of the role, advancements, and challenges of power. If we consider forecasts for ev demand and driving applications, this article comprehensively reviewed power converter topologies, control schemes, output power,. There has been a detailed, critical evaluation of converters that are being used. If we consider forecasts for ev demand and driving applications, this article. Power Converters For Electric Vehicles Pdf.
From www.scribd.com
Design and Control of Modular Multilevel Converters For Battery Power Converters For Electric Vehicles Pdf There has been a detailed, critical evaluation of converters that are being used. If we consider forecasts for ev demand and driving applications, this article comprehensively reviewed power converter. Presents exclusive information on the power electronics of ev including traction drives. This paper provides a comprehensive overview of the role, advancements, and challenges of power. If we consider forecasts for. Power Converters For Electric Vehicles Pdf.
From iwqanm.blogspot.com
Dcdc Converter In Electric Vehicle Ppt IWQANM Power Converters For Electric Vehicles Pdf If we consider forecasts for ev demand and driving applications, this article comprehensively reviewed power converter. There has been a detailed, critical evaluation of converters that are being used. This paper provides a comprehensive overview of the role, advancements, and challenges of power. If we consider forecasts for ev demand and driving applications, this article comprehensively reviewed power converter topologies,. Power Converters For Electric Vehicles Pdf.
From skill-lync.com
What are Power Converters? Electric Vehicles Power Converters For Electric Vehicles Pdf Presents exclusive information on the power electronics of ev including traction drives. If we consider forecasts for ev demand and driving applications, this article comprehensively reviewed power converter topologies, control schemes, output power,. This paper provides a comprehensive overview of the role, advancements, and challenges of power. If we consider forecasts for ev demand and driving applications, this article comprehensively. Power Converters For Electric Vehicles Pdf.
From www.mdpi.com
Energies Free FullText A Review of DCAC Converters for Electric Power Converters For Electric Vehicles Pdf There has been a detailed, critical evaluation of converters that are being used. If we consider forecasts for ev demand and driving applications, this article comprehensively reviewed power converter topologies, control schemes, output power,. If we consider forecasts for ev demand and driving applications, this article comprehensively reviewed power converter. This paper provides a comprehensive overview of the role, advancements,. Power Converters For Electric Vehicles Pdf.
From www.semanticscholar.org
A Novel High Efficiency High Power Interleaved CoupledInductor Boost Power Converters For Electric Vehicles Pdf There has been a detailed, critical evaluation of converters that are being used. If we consider forecasts for ev demand and driving applications, this article comprehensively reviewed power converter. Presents exclusive information on the power electronics of ev including traction drives. If we consider forecasts for ev demand and driving applications, this article comprehensively reviewed power converter topologies, control schemes,. Power Converters For Electric Vehicles Pdf.
From www.taylorfrancis.com
Power Converters for Electric Vehicles Taylor & Francis Group Power Converters For Electric Vehicles Pdf If we consider forecasts for ev demand and driving applications, this article comprehensively reviewed power converter. This paper provides a comprehensive overview of the role, advancements, and challenges of power. If we consider forecasts for ev demand and driving applications, this article comprehensively reviewed power converter topologies, control schemes, output power,. There has been a detailed, critical evaluation of converters. Power Converters For Electric Vehicles Pdf.
From elkabrubina.pages.dev
Design Considerations For Resolver To Digital Converters In Electric Power Converters For Electric Vehicles Pdf There has been a detailed, critical evaluation of converters that are being used. If we consider forecasts for ev demand and driving applications, this article comprehensively reviewed power converter. This paper provides a comprehensive overview of the role, advancements, and challenges of power. If we consider forecasts for ev demand and driving applications, this article comprehensively reviewed power converter topologies,. Power Converters For Electric Vehicles Pdf.
From www.mdpi.com
Forecasting Free FullText Comprehensive Review of Power Electronic Power Converters For Electric Vehicles Pdf If we consider forecasts for ev demand and driving applications, this article comprehensively reviewed power converter. Presents exclusive information on the power electronics of ev including traction drives. This paper provides a comprehensive overview of the role, advancements, and challenges of power. There has been a detailed, critical evaluation of converters that are being used. If we consider forecasts for. Power Converters For Electric Vehicles Pdf.
From www.researchgate.net
(PDF) A High Power Density Wide Range DCDC Converter for Universal Power Converters For Electric Vehicles Pdf If we consider forecasts for ev demand and driving applications, this article comprehensively reviewed power converter topologies, control schemes, output power,. If we consider forecasts for ev demand and driving applications, this article comprehensively reviewed power converter. There has been a detailed, critical evaluation of converters that are being used. Presents exclusive information on the power electronics of ev including. Power Converters For Electric Vehicles Pdf.
From www.mdpi.com
Energies Free FullText Technical Review and Survey of Future Power Converters For Electric Vehicles Pdf Presents exclusive information on the power electronics of ev including traction drives. This paper provides a comprehensive overview of the role, advancements, and challenges of power. If we consider forecasts for ev demand and driving applications, this article comprehensively reviewed power converter. There has been a detailed, critical evaluation of converters that are being used. If we consider forecasts for. Power Converters For Electric Vehicles Pdf.
From www.researchgate.net
(PDF) A Single Inductor MultiPort Power Converter for Electric Vehicle Power Converters For Electric Vehicles Pdf There has been a detailed, critical evaluation of converters that are being used. Presents exclusive information on the power electronics of ev including traction drives. If we consider forecasts for ev demand and driving applications, this article comprehensively reviewed power converter topologies, control schemes, output power,. If we consider forecasts for ev demand and driving applications, this article comprehensively reviewed. Power Converters For Electric Vehicles Pdf.
From www.mdpi.com
Processes Free FullText Analysis and Design of a Standalone Power Converters For Electric Vehicles Pdf If we consider forecasts for ev demand and driving applications, this article comprehensively reviewed power converter topologies, control schemes, output power,. There has been a detailed, critical evaluation of converters that are being used. This paper provides a comprehensive overview of the role, advancements, and challenges of power. If we consider forecasts for ev demand and driving applications, this article. Power Converters For Electric Vehicles Pdf.
From www.semanticscholar.org
Figure 2 from DCDC converters for electric vehicle applications Power Converters For Electric Vehicles Pdf Presents exclusive information on the power electronics of ev including traction drives. If we consider forecasts for ev demand and driving applications, this article comprehensively reviewed power converter topologies, control schemes, output power,. If we consider forecasts for ev demand and driving applications, this article comprehensively reviewed power converter. There has been a detailed, critical evaluation of converters that are. Power Converters For Electric Vehicles Pdf.
From www.eaton.com
Highvoltage DC/DC converter EV power converter Eaton Power Converters For Electric Vehicles Pdf If we consider forecasts for ev demand and driving applications, this article comprehensively reviewed power converter topologies, control schemes, output power,. There has been a detailed, critical evaluation of converters that are being used. This paper provides a comprehensive overview of the role, advancements, and challenges of power. If we consider forecasts for ev demand and driving applications, this article. Power Converters For Electric Vehicles Pdf.
From manualfixnubbutterburs.z21.web.core.windows.net
Simple Ev Wiring Schematics Power Converters For Electric Vehicles Pdf If we consider forecasts for ev demand and driving applications, this article comprehensively reviewed power converter. If we consider forecasts for ev demand and driving applications, this article comprehensively reviewed power converter topologies, control schemes, output power,. There has been a detailed, critical evaluation of converters that are being used. This paper provides a comprehensive overview of the role, advancements,. Power Converters For Electric Vehicles Pdf.